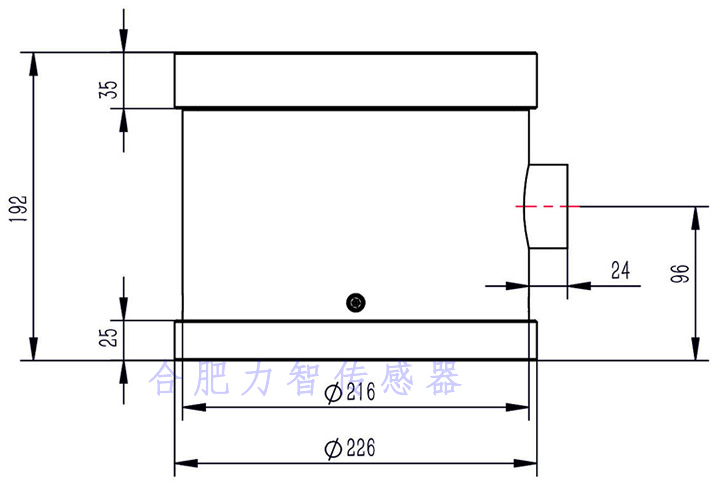
| LZ-ZS6大量程柱式荷重傳感器 |  | 非標定制荷重型傳感器,采用合金鋼材質,柱式結構設計,高精度。 適用于大噸位壓力試驗機、配料秤、反應釜、壓裝機、水泥灌等大噸位衡器各種稱重測力場所。 | | 技術參數 |
| 量程 | 400T,600T,800T | | 零點輸出 | ≤±1%F.S | | 靈敏度 | 1.0~2.0mV/V | | 非線性 | ≤±0.5%F.S | | 滯后 | ≤±0.5%F.S | | 重復性 | ≤±0.5%F.S | | 蠕變 | ≤±0.05%F.S/30min | | 零點溫度漂移 | ≤±0.05%F.S/10℃ | | 靈敏度溫度漂移 | ≤±0.05%F.S/10℃ | | 使用溫度范圍 | -20℃~+60℃ | | 輸入阻抗 | 380±30Ω/730±30Ω | | 輸出阻抗 | 350±2Ω/700±3Ω | | 絕緣電阻 | ≥5000MΩ/100VDC | | 安全過載 | 120%F.S | | 供橋電壓 | 5~12VDC(推薦10VDC) | | 材質 | 合金鋼/不銹鋼 | | 接線方式 | 紅色:電源+(E+) 黑色:電源-(E-) | | 綠色:輸出+(S+) 白色:輸出-(S-) |
 | | 量程、尺寸、安裝位置等可根據客戶要求設計定制。 | | 注:本頁中所注參數僅供選型參考,詳細請按訂貨時確認為準! | | 稱重傳感器 http://www.kerui365.com |
|