
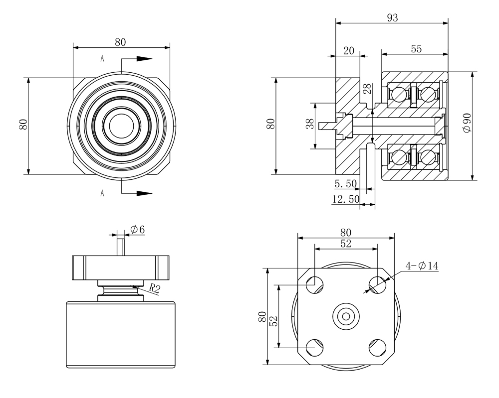
軸銷傳感器| JH-ZWF3軸銷式二維力傳感器
采用軸銷式設計結構,同時測量兩個方向力值。 安裝簡便,可直接替代安裝軸銷。廣泛使用于航空航天、機器人、起重設備、汽車及機械自動化領域連接機構的力值檢測。 可選擇一體化標準信號輸出,三線制或四線制,輸出0~5V、0~10V、或4~20mA。供電:12V或24V。 技術參數
|
| JH-ZWF3軸銷式二維力傳感器
采用軸銷式設計結構,同時測量兩個方向力值。 安裝簡便,可直接替代安裝軸銷。廣泛使用于航空航天、機器人、起重設備、汽車及機械自動化領域連接機構的力值檢測。 可選擇一體化標準信號輸出,三線制或四線制,輸出0~5V、0~10V、或4~20mA。供電:12V或24V。 技術參數
|